
Moderátori: Rope, baffy, viteon, Kleki, Cvrček











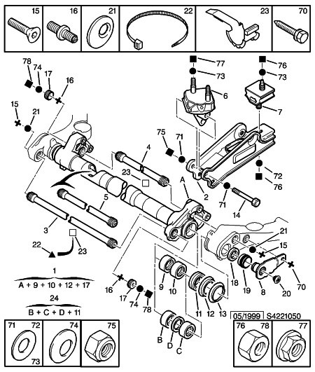
boga píše:zdravím, jsou tohle správný opravný sady na uložení ramena zadní nápravy když je do A?
http://www.ecat.elit.cz/ArticleBrowser.aspx?TT=car&TNV=954|-30905|-30904|2&VehicleID=8957&VehicleTypeID=1
koupil bych obě a pak bych tu co se nehodí vrátil.





Užívatelia prezerajúci fórum: Žiadny registrovaný užívateľ nie je prítomný a 9 hostia