
Moderátori: Rope, baffy, viteon, Kleki, Cvrček













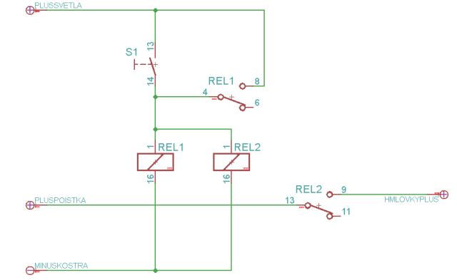
petr_xs píše:Obávám se, že s takovou opravou by narazil na STK. Mlhovky se mají po vypnutí světel samy vypnout a po dalším zapnutí světel zůstat vypnuté. Takže ne vypínač, ale nanejvýš tlačítko paralelně k původním kontaktům v páčce.




Užívatelia prezerajúci fórum: Žiadny registrovaný užívateľ nie je prítomný a 15 hostia