Oprava klimatizace

Moderátori: Rope, baffy, viteon, Kleki, Cvrček

Re: Oprava klimatizace

Poslaťod jan452 » Pon 29. Jún 2009, 21:21

Okienko je v mieste tej červenej bodky ale v skutočnosti vypadá ako otvor zaliaty nejakou umelou hmotou.
Prílohy
jgs_galerie_bild8a.jpg
jgs_galerie_bild8a.jpg (126.8 KiB) Zobrazené 5993 krát
Xsara Break 1,8i Exclusive - 98
Obrázok užívateľa
jan452
Profesionál
Profesionál
 
Príspevky: 208
Registrovaný: Pia 19. Jan 2007, 18:29
Bydlisko: Zvolen - SR
Vůz: Xsara I Break, 1998, 1,8i 8v Exclusive

Re: Oprava klimatizace

Poslaťod Kleki » Pon 29. Jún 2009, 21:27

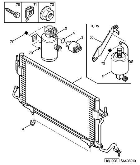
Na obrázku je hore vľavo ten filter odborne je to sušič a na vrchu je také malé okienko, kde vidíš behať chladivo pri spustenej klíme. Ja to tak mám na X1. Ale som pozeral na sevis citroen a X2 majú iný sušič , a je dosť možné , že to okienko tam nie je.
Prílohy
sušič klíma 1.JPG
sušič klíma 1.JPG (37.29 KiB) Zobrazené 5988 krát
Bývalá Xsara break 1.9TD 1999 , Xsara Break Exclusive 2,0HDI 80kW, 2002
Aktuálne Citroen C5 Break Exclusive 2,0HDI 100kW s automatom r.v.2006 + Xsara 1998 1,4i(manželkina)
Obrázok užívateľa
Kleki
V.I.P. & Xsamarád
V.I.P. & Xsamarád
 
Príspevky: 1229
Registrovaný: Ned 26. Okt 2008, 14:24
Bydlisko: Slovakia , Kováčová
Vůz: Citroen C5 Break 2,0HDI 100kW(EX Xsara break 1.9 TD r.1999, Xsara break 2.0HDI/80kW r.2002)

Re: Oprava klimatizace

Poslaťod vetva » Pon 17. Aug 2009, 20:15

Kleki ! Vieš mi zhruba povedať, za ako rýchlo Ti z prieduchov začne prúdiť studený vzduch v tomto letnom období ? Mne sa to zdá strašne dlho, hlavne tie krajné , zrejme bývajú viac nahriate od slnka. Ale vôbec sa mi zdá moja klíma akási slabšia. Ak bolo vonku 30°, ventilátor som nemohol pustiť na maximum, pretože nestíhala dochladiť a do kokpitu fúkal ani nie vlažný vzduch.
X I. Break 1,6 Ex
Obrázok užívateľa
vetva
Přispěvatel
Přispěvatel
 
Príspevky: 19
Registrovaný: Ned 6. Apr 2008, 20:26
Bydlisko: Tatry
Vůz: Xsara 1 , 1,6 benzin, 1998

Re: Oprava klimatizace

Poslaťod Kleki » Str 19. Aug 2009, 14:25

Mne po zapnutí klimatizácie začne s prieduchov fúkať chladnejší vzduch už asi za 20-30 sekúnd a postupne sa stále ochladzuje, až dosiahne teplotu nastavenú na regulátore teploty. A si si istý , že ti klíma funguje? Skontroloval si spojku na kompresore, či sa zopne? A ešte jeden malý ale dôležitý detail, rozbehnú sa ti sahary na 1. rýchlosť? Všetko si to zkontroluj , či funguje tak ako má.
Bývalá Xsara break 1.9TD 1999 , Xsara Break Exclusive 2,0HDI 80kW, 2002
Aktuálne Citroen C5 Break Exclusive 2,0HDI 100kW s automatom r.v.2006 + Xsara 1998 1,4i(manželkina)
Obrázok užívateľa
Kleki
V.I.P. & Xsamarád
V.I.P. & Xsamarád
 
Príspevky: 1229
Registrovaný: Ned 26. Okt 2008, 14:24
Bydlisko: Slovakia , Kováčová
Vůz: Citroen C5 Break 2,0HDI 100kW(EX Xsara break 1.9 TD r.1999, Xsara break 2.0HDI/80kW r.2002)

Re: Oprava klimatizace

Poslaťod vetva » Štv 27. Aug 2009, 11:31

Tak dnes som sa na to pozrel. Po zapnutí klímy niečo cvakne - predpokladám že kompresor, pretože aj v okienku sušiča vidno pohyb raz tmavý inokedy akoby pena a obe sahary sa točia, len neviem či na 1. rýchlosť.
X I. Break 1,6 Ex
Obrázok užívateľa
vetva
Přispěvatel
Přispěvatel
 
Príspevky: 19
Registrovaný: Ned 6. Apr 2008, 20:26
Bydlisko: Tatry
Vůz: Xsara 1 , 1,6 benzin, 1998

Predchádzajúci

Späť na Cokoliv se nikam nevešlo

Kto je on-line

Užívatelia prezerajúci fórum: Žiadny registrovaný užívateľ nie je prítomný a 8 hostia

cron