řazení

Moderátori: Rope, baffy, viteon, Kleki, Cvrček

Re: řazení

Poslaťod mio » Str 24. Okt 2012, 18:07

Taky může být vůle přímo ve spoji táhla a řadičky (šroubovací čep 19).
Obrázok užívateľa
mio
Xsamarád
Xsamarád
 
Príspevky: 1267
Registrovaný: Pon 1. Okt 2007, 19:30
Bydlisko: Plzeň-sever
Vůz: Break 1,9 TD/C4 1.6 HDI

Re: řazení

Poslaťod PaulieTD » Pon 29. Okt 2012, 21:28

Ahoj, ted auto skoro 14dní stálo a dneska po výměně lanka spojky šly rychlosti strašně špatně řadit ? Myslíte , že pomůže výměna oleje, nebo se to rozhýbe ? :) Docela mě to zarazilo :(
Je : Citroen Xsara Break 1,9TD SX VTS
rv.98 , folie, 14" alu Alessio,tažný...kára se spotřebou kolem 5ti litrů... best !!!
Byl : Ford Mondeo Kombi 1,8TD
rv.97,alu 16"Borbet,všechno v el....už je pryč...koroze :(
Časem snad Mondeo TDCi :)
PaulieTD
Zasloužilý přispěvatel
Zasloužilý přispěvatel
 
Príspevky: 147
Registrovaný: Sob 7. Júl 2012, 8:32
Bydlisko: Semechnice
Vůz: Xsara Break 1,9TD SX

Re: řazení

Poslaťod Kleki » Pon 29. Okt 2012, 23:02

Vyskúšaj a uvidíš či to pomôže , výmenou oleja nič nepokazíš. Pomôcť ti to môže ale aj nemusí, potom bude treba hľadať problém inde.
Bývalá Xsara break 1.9TD 1999 , Xsara Break Exclusive 2,0HDI 80kW, 2002
Aktuálne Citroen C5 Break Exclusive 2,0HDI 100kW s automatom r.v.2006 + Xsara 1998 1,4i(manželkina)
Obrázok užívateľa
Kleki
V.I.P. & Xsamarád
V.I.P. & Xsamarád
 
Príspevky: 1229
Registrovaný: Ned 26. Okt 2008, 14:24
Bydlisko: Slovakia , Kováčová
Vůz: Citroen C5 Break 2,0HDI 100kW(EX Xsara break 1.9 TD r.1999, Xsara break 2.0HDI/80kW r.2002)

Re: řazení

Poslaťod PaulieTD » Uto 30. Okt 2012, 11:42

Našel jsem na internetu tohle : http://www.autoopravy.eu/index.php?akce=2&id=219 je to sice na Feldu , ale třeba je chyba v tomhle,protože předtím to fungovalo ....ted i po jízdě 5km ráno do školy, to šlo z těžka,dneska najedu na rampu a skusím to , teda aspon se domnívám , že to bude na Sáře podobobný :)
Je : Citroen Xsara Break 1,9TD SX VTS
rv.98 , folie, 14" alu Alessio,tažný...kára se spotřebou kolem 5ti litrů... best !!!
Byl : Ford Mondeo Kombi 1,8TD
rv.97,alu 16"Borbet,všechno v el....už je pryč...koroze :(
Časem snad Mondeo TDCi :)
PaulieTD
Zasloužilý přispěvatel
Zasloužilý přispěvatel
 
Príspevky: 147
Registrovaný: Sob 7. Júl 2012, 8:32
Bydlisko: Semechnice
Vůz: Xsara Break 1,9TD SX

Re: řazení

Poslaťod Kleki » Uto 30. Okt 2012, 16:57

Xsara má trochu iné radenie , ale skontrolovať môžeš , či náhodou nie je zatuhnuté.
Prílohy
Bez názvu.JPG
Bez názvu.JPG (62.57 KiB) Zobrazené 19242 krát
Bývalá Xsara break 1.9TD 1999 , Xsara Break Exclusive 2,0HDI 80kW, 2002
Aktuálne Citroen C5 Break Exclusive 2,0HDI 100kW s automatom r.v.2006 + Xsara 1998 1,4i(manželkina)
Obrázok užívateľa
Kleki
V.I.P. & Xsamarád
V.I.P. & Xsamarád
 
Príspevky: 1229
Registrovaný: Ned 26. Okt 2008, 14:24
Bydlisko: Slovakia , Kováčová
Vůz: Citroen C5 Break 2,0HDI 100kW(EX Xsara break 1.9 TD r.1999, Xsara break 2.0HDI/80kW r.2002)

Re: řazení

Poslaťod PaulieTD » Str 7. Nov 2012, 19:15

Kleki: tak jsem včera projel kaluží v práci a od tý doby jde řazení jak med ..takže to za těch 14 dni asi zatuhlo,což teda nechápu :)
O víkendu to všechno prostříknu :) Jsem rád, že to byla jen taková "blbůstka " :)
Je : Citroen Xsara Break 1,9TD SX VTS
rv.98 , folie, 14" alu Alessio,tažný...kára se spotřebou kolem 5ti litrů... best !!!
Byl : Ford Mondeo Kombi 1,8TD
rv.97,alu 16"Borbet,všechno v el....už je pryč...koroze :(
Časem snad Mondeo TDCi :)
PaulieTD
Zasloužilý přispěvatel
Zasloužilý přispěvatel
 
Príspevky: 147
Registrovaný: Sob 7. Júl 2012, 8:32
Bydlisko: Semechnice
Vůz: Xsara Break 1,9TD SX

Re: řazení

Poslaťod driversk » Str 7. Nov 2012, 19:35

Kurňa kde je taká zázračná kaluž,, aj ja chcem po nej prejsť. :D
Xsara II VTS 2-HDI 80Kw rv.-2002 strieborná metalíza Bývalka
Suzuki Burgman 650 Executive , ABS , r.v.2005 Bývalka
Honda Deauville 700 ABS r,v, 2007
Citroën C4 1.6i imagine
Obrázok užívateľa
driversk
V.I.P.
V.I.P.
 
Príspevky: 1024
Registrovaný: Uto 11. Aug 2009, 21:21
Bydlisko: Trnava
Vůz: Ná včul ništ

Re: řazení

Poslaťod PaulieTD » Str 7. Nov 2012, 20:39

driversk : u nás v práci, kdyžtak se stav (Opočno) :D vodu v ní pro tebe speciálně pohlídám :D
Je : Citroen Xsara Break 1,9TD SX VTS
rv.98 , folie, 14" alu Alessio,tažný...kára se spotřebou kolem 5ti litrů... best !!!
Byl : Ford Mondeo Kombi 1,8TD
rv.97,alu 16"Borbet,všechno v el....už je pryč...koroze :(
Časem snad Mondeo TDCi :)
PaulieTD
Zasloužilý přispěvatel
Zasloužilý přispěvatel
 
Príspevky: 147
Registrovaný: Sob 7. Júl 2012, 8:32
Bydlisko: Semechnice
Vůz: Xsara Break 1,9TD SX

zle radi 1tku

Poslaťod vilo6 » Sob 12. Jan 2013, 15:16

Zdravim, kupil som xsaru 1,6 16v 80kw benzin 150 000km. Bola tam menena prevodovka (povodna hucala). Automechanik mi povedal ze je to prevodovka z ineho auta nie zo xsary. Mam taky problem ze niekedy ide tazko zaradit 1tka 2 ka a ked radim spiatocku obcas to zahuci. Ta 1tka ide niekedy naozaj nasilu dvojka uz lepsie. Myslel som si ze to je olejom ale ten som vymenil a robi to stale aj ked menej casto ale obcas to spravi. Cim by to mohlo byt? Spojka uz asi dochadza lebo zabera dost na malom mieste aj mechanikovi sa to nepacilo, hovoril ze dochadza....

Dakujem za rady :-))
vilo6
Přispěvatel
Přispěvatel
 
Príspevky: 25
Registrovaný: Pon 24. Dec 2012, 12:04
Bydlisko: Slovensko, Nové Mesto n/V
Vůz: Citroen Xsara ll 1,6 16v 80KW, r.v. 2002 benzin

Re: řazení

Poslaťod snoopy » Ned 13. Jan 2013, 0:05

když byla měněná převodovka, tak jsi neměnil i spojku?
Xsara Picasso 1.8v r.v.2003 "Bublina" - RIP
Grand C4 Picasso 1.6HDI r.v.2012 "Blueberry" - GoodBye
Xsara II 1.6i r.v.2003 "Frosty"
VW Touran 1.5TSI r.v. 2023
(jména autům vymýšlí naše děti :-) )
Obrázok užívateľa
snoopy
V.I.P. & Xsamarád
V.I.P. & Xsamarád
 
Príspevky: 1600
Registrovaný: Str 8. Júl 2009, 13:17
Bydlisko: Praha 4 Újezd
Vůz: Xsara II 1.6i r.2003

Re: řazení

Poslaťod vilo6 » Ned 13. Jan 2013, 15:50

Auto som kupil s cerstvo vymenenou prevodovkou
vilo6
Přispěvatel
Přispěvatel
 
Príspevky: 25
Registrovaný: Pon 24. Dec 2012, 12:04
Bydlisko: Slovensko, Nové Mesto n/V
Vůz: Citroen Xsara ll 1,6 16v 80KW, r.v. 2002 benzin

Řazení

Poslaťod tokin111 » Pia 15. Mar 2013, 7:30

Ahoj,mám prosbu,na foru jsem nikde nenašel odpověď na mou otázku,týkající se nefunkčního řazení na mém voze – Xsara r.v.98 motor 1,8i.Zjistil sem příčinu – vypadlé táhlo řazení, co je za motorem na tom čepu.Má otázka zní – jak je tam toto táhlo přichyceno a zajištěno?Lze ho normálně nasadit, zajistit a jezdit dál nebo je nutná výměna dílu?P.S. Nekamenujte mne,fakt jsem tlačítko"hledat"použil ale stačilo jen na vyhledání příčiny...Dík moc
tokin111
Přispěvatel
Přispěvatel
 
Príspevky: 38
Registrovaný: Str 14. Apr 2010, 17:30
Bydlisko: Rakovník
Vůz: Citren Xsara 1,8i r.v. 09/98

Re: řazení

Poslaťod Kleki » Sob 16. Mar 2013, 14:57

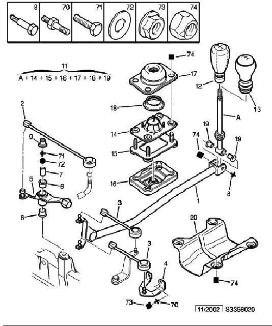
Kameňovať ťa tu určite nikdo nebude :mrgreen: , nové vlákno si nezaložil a svoj dotaz si dal tam kam patrí. Ale k veci , na obrázkoch (Strana1) vyššie je schéma usporiadanie tiahel , sú tam celkom 3 tiahla a majú v sebe pružné púzdra , ktoré zapadajú na guličku v protikuse. Ak sa ti stalo to , že sa tiahlo uvoľnilo , tak máš asi opotrebené tie púzdra a asi by bolo lepšie keby si tiahla vymenil za nové. Ale skús najskôr tiahlo nasunúť späť a uvidíš.Ak sa ti to stane znova , tak ťa výmena neminie. Mohlo sa stať že sa len uvolnilo a vyskočilo.
Bývalá Xsara break 1.9TD 1999 , Xsara Break Exclusive 2,0HDI 80kW, 2002
Aktuálne Citroen C5 Break Exclusive 2,0HDI 100kW s automatom r.v.2006 + Xsara 1998 1,4i(manželkina)
Obrázok užívateľa
Kleki
V.I.P. & Xsamarád
V.I.P. & Xsamarád
 
Príspevky: 1229
Registrovaný: Ned 26. Okt 2008, 14:24
Bydlisko: Slovakia , Kováčová
Vůz: Citroen C5 Break 2,0HDI 100kW(EX Xsara break 1.9 TD r.1999, Xsara break 2.0HDI/80kW r.2002)

řazení

Poslaťod adkowhite » Štv 5. Dec 2013, 19:50

Ahoj potreboval by som radu AK by niekto vedel,mám peugeot 406 hdi r.v.2000 66kw break,a problém je taky že ked zaradím do4 -ky a pridám tak my začne strašne trepat(mixovat)s pakov,a robi to len 4-ka.Dakujem.robí to najviac pri zabere
adkowhite
Zasloužilý přispěvatel
Zasloužilý přispěvatel
 
Príspevky: 51
Registrovaný: Pia 4. Mar 2011, 16:01
Bydlisko: slovensko,Trenčín
Vůz: Citroen xsara 2.0hdi r.v.2001

cvrlikání řazení

Poslaťod sedljiri » Štv 12. Dec 2013, 20:25

Ahoj, na picassu, jsem strašně dlouho pozoroval cvrlikání a obviňoval vstřiky... Potom jsem objevil fígl...
Nějakou blbou náhodou jsem vzal za řadící páku, natlačil ji při zařazeném kvaltu doprava, nebo doleva a najednou je klid....
Je to kovovej zvuk a vážně mě nenapadá, co by to mohlo dělat. nějaké zkušenosti, rady? Děkuju :driv:
Jirka Sedláček
Obrázok užívateľa
sedljiri
Zasloužilý přispěvatel
Zasloužilý přispěvatel
 
Príspevky: 47
Registrovaný: Uto 18. Nov 2008, 16:21
Bydlisko: Bořitov
Vůz: Citroen Xsara Picasso 2.0 HDI,66 kw, r.v. 2001

PredchádzajúciĎalší

Späť na Cokoliv se nikam nevešlo

Kto je on-line

Užívatelia prezerajúci fórum: Žiadny registrovaný užívateľ nie je prítomný a 9 hostia