Střední díl výfuku

Moderátori: Rope, baffy, viteon, Kleki, Cvrček

Střední díl výfuku

Poslaťod Kvido » Sob 2. Jan 2010, 16:52

Mám dotaz na střední díl výfuku. Byl jsem dneska pod autem a zjistil ,že středový díl výfuku má průměr 45 mm a koncový 50 mm ,jistě to není originál. Je to tam nějak nabastlené aby to ke koncovému potom pasovalo. Zajímá mě jestli má někdo možnost změřit trubku středového výfuku na motorech 1.8 a 1.8 16V . Bude mě čekat výměna a tak tohle mě docela zajímá.
nikde jsem nenašel rozměry trubek,původně tam byl bosal ,ale nepamatuju si jaký rozměr měl. Díky všem za pomoc a ochotu.
Hyundai i30 combi 1.4 T-GDI 2019
Obrázok užívateľa
Kvido
Čestný člen
Čestný člen
 
Príspevky: 1463
Registrovaný: Uto 25. Mar 2008, 19:19
Bydlisko: Frýdek-Místek
Vůz: Hyundai i30 combi, 1.4 T-GDi,2019

Re: Střední díl výfuku

Poslaťod Rici.Kopis » Sob 2. Jan 2010, 17:12

Já mám sice Picasso,ale mám motor 1,8 16v a ted jsem to byl změřit a střední díl výfuku mám 50mm a tlumič je vsazený do středního dílu a je to stáhlé objímkou.Tak snad ti to pomuže,ikdyž mám většího brášku. :wink:
Xsara Picasso r.v.2000 1,8 16v modrá metalíza
Obrázok užívateľa
Rici.Kopis
V.I.P. & Xsamarád
V.I.P. & Xsamarád
 
Príspevky: 580
Registrovaný: Ned 28. Dec 2008, 13:07
Bydlisko: Dolní Bojanovice(ale pocházím z Rajnochovic okr.Kroměříž)
Vůz: Xsara Picasso 1.8 16v benzin r.v.2000 7,5l

Re: Střední díl výfuku

Poslaťod Kvido » Sob 2. Jan 2010, 20:15

Díky moc Rici,pomohlo mi to dost,aspoň vím ,že tam mám něco co tam být nemá. Od KATu jde průměr 70 mm a ten má potom přejít na 50 mm,protože koncový mám 50 mm a středový 45 mm a je to nějak šíleně povařené. Chci to předělat,tak budu shánět výfuk s průměrem který tam má být.
Hyundai i30 combi 1.4 T-GDI 2019
Obrázok užívateľa
Kvido
Čestný člen
Čestný člen
 
Príspevky: 1463
Registrovaný: Uto 25. Mar 2008, 19:19
Bydlisko: Frýdek-Místek
Vůz: Hyundai i30 combi, 1.4 T-GDi,2019

Re: Střední díl výfuku

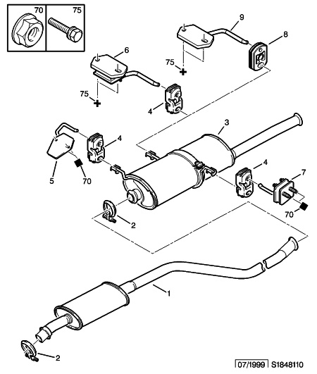
Poslaťod viteon » Sob 2. Jan 2010, 20:23

všechny benzínové to mají asi spojené stejně, k sobě a objímka spojující osazení
Prílohy
vyf.jpg
vyf.jpg (47.32 KiB) Zobrazené 12461 krát
Obrázok užívateľa
viteon
V.I.P. & Xsamarád
V.I.P. & Xsamarád
 
Príspevky: 3767
Registrovaný: Pia 15. Júl 2005, 8:46
Bydlisko: BRNO, 209km od Dolní Lutyně
Vůz: (A-C4 1,6ka) + (V-C-HR 1,2ka)

Re: Střední díl výfuku

Poslaťod Kvido » Sob 2. Jan 2010, 20:35

Tak tyhle obrázky jsem našel také,ale nikde jsem nenašel jejich průměry,bylo mi divné,že se ve předu i vzadu nachází tolik svarů,chystám se v lednu do Citroenu asi se poptám co mi to tam dali,věděl jsem ,že tam půjde druhovýroba,ale tohle je fušerská robota,škoda ,že jsem na to přišel až se mi udělala díra v koncovém tlumiči.
Hyundai i30 combi 1.4 T-GDI 2019
Obrázok užívateľa
Kvido
Čestný člen
Čestný člen
 
Príspevky: 1463
Registrovaný: Uto 25. Mar 2008, 19:19
Bydlisko: Frýdek-Místek
Vůz: Hyundai i30 combi, 1.4 T-GDi,2019

Re: Střední díl výfuku

Poslaťod viteon » Sob 2. Jan 2010, 20:42

střední díl výfuku shnije nejčastěji několik centimetrů před spojem se zadním. Vzpomeň, jeden se tu nedávno nabízel.
Obrázok užívateľa
viteon
V.I.P. & Xsamarád
V.I.P. & Xsamarád
 
Príspevky: 3767
Registrovaný: Pia 15. Júl 2005, 8:46
Bydlisko: BRNO, 209km od Dolní Lutyně
Vůz: (A-C4 1,6ka) + (V-C-HR 1,2ka)

Re: Střední díl výfuku

Poslaťod SilverGhost » Sob 2. Jan 2010, 20:49

Mě upadl taky naštěstí před zadním spojem. Upadnout vepředu, tak se zapíchl do silnice a už bych ho v životě i s katem neviděl :lol:
F*ck fuel Economy, my Ford just used all the gas your Hybrid saved ....
Obrázok
Obrázok užívateľa
SilverGhost
V.I.P. & Xsamarád
V.I.P. & Xsamarád
 
Príspevky: 1366
Registrovaný: Štv 2. Nov 2006, 20:33
Bydlisko: Hradec Králové
Vůz: Seat Leon 2006

Re: Střední díl výfuku

Poslaťod viteon » Sob 2. Jan 2010, 20:51

zajel by ti zespodu do kufru :D
Obrázok užívateľa
viteon
V.I.P. & Xsamarád
V.I.P. & Xsamarád
 
Príspevky: 3767
Registrovaný: Pia 15. Júl 2005, 8:46
Bydlisko: BRNO, 209km od Dolní Lutyně
Vůz: (A-C4 1,6ka) + (V-C-HR 1,2ka)

Re: Střední díl výfuku

Poslaťod Kvido » Sob 2. Jan 2010, 20:58

mě taky právě uhnil koncový tlumič u spoje se střeodvým,jako teď je to pěkný tuning,ale v únoru jdu na emise a STK a stím bych měl asi potíže.
Hyundai i30 combi 1.4 T-GDI 2019
Obrázok užívateľa
Kvido
Čestný člen
Čestný člen
 
Príspevky: 1463
Registrovaný: Uto 25. Mar 2008, 19:19
Bydlisko: Frýdek-Místek
Vůz: Hyundai i30 combi, 1.4 T-GDi,2019

Re: Střední díl výfuku

Poslaťod viteon » Sob 2. Jan 2010, 21:01

v nejhorším vyměníš oba díly abys to měl vyřešené skoro navždy a příště už nemusel bastlit, nebo se u výfukářů zeptej na samotné koncovky k převaření (ale tomu já moc nevěřím)
Obrázok užívateľa
viteon
V.I.P. & Xsamarád
V.I.P. & Xsamarád
 
Príspevky: 3767
Registrovaný: Pia 15. Júl 2005, 8:46
Bydlisko: BRNO, 209km od Dolní Lutyně
Vůz: (A-C4 1,6ka) + (V-C-HR 1,2ka)

Re: Střední díl výfuku

Poslaťod Kvido » Sob 2. Jan 2010, 21:03

je tam snad 5 svarů na to středovým a pěkně to kolem nich hnije,navíc je to celé jakésik pokroucené i Colin a berry se divili co to tam mám za bastl. Ten středový tlumič je pěkný,zdravý nic mu není,ale ty trubky jsou katastrofa. Koncový už budu mít snad brzy nový ,ale zase kupovat nový středový....
Hyundai i30 combi 1.4 T-GDI 2019
Obrázok užívateľa
Kvido
Čestný člen
Čestný člen
 
Príspevky: 1463
Registrovaný: Uto 25. Mar 2008, 19:19
Bydlisko: Frýdek-Místek
Vůz: Hyundai i30 combi, 1.4 T-GDi,2019

Re: Střední díl výfuku

Poslaťod mio » Sob 2. Jan 2010, 21:11

Ty spoje (příruby "trumpeta" ) se normálně prodávaj i v kelly ale u benzínu bývá většinou "vysypanej" i tlumič (chrastí i poklepem).Vyplatí se navařovat když uhnije příruba tak na diesel, tam výfuk ještě chvíli vydrží a potrubí bývá v lepším stavu.
Obrázok užívateľa
mio
Xsamarád
Xsamarád
 
Príspevky: 1267
Registrovaný: Pon 1. Okt 2007, 19:30
Bydlisko: Plzeň-sever
Vůz: Break 1,9 TD/C4 1.6 HDI

Re: Střední díl výfuku

Poslaťod Škopek » Sob 2. Jan 2010, 22:27

Zdravím
Ty příruby (trumpeta) se daji koupit v páru nebo i samostatně,je jich hodně druhů.Já sem hodně měřil než sem koupil,ale nakonec sem stejně musel dobrušovat než sedla na proti přirubu.
Xsara 2.0 HDI 66 Kw hatchback do provozu 3 ledna 2003 u frantíků - XSARA - dobrá volba
Obrázok užívateľa
Škopek
V.I.P. & Xsamarád
V.I.P. & Xsamarád
 
Príspevky: 839
Registrovaný: Sob 8. Nov 2008, 17:36
Bydlisko: Mariánské Lázně
Vůz: Xsara 2.0 hdi hatchback 66Kw nafta 2002

Re: Střední díl výfuku

Poslaťod jandy » Pon 26. Sep 2011, 7:01

Potřeboval bych vědět jakej průměr tam má být, potřebuju koupit ty opravný "trumpety a bambule" ale nevím průměr.
Obrázok užívateľa
jandy
V.I.P. & Xsamarád
V.I.P. & Xsamarád
 
Príspevky: 427
Registrovaný: Štv 13. Nov 2008, 20:31
Bydlisko: Týn nad Vltavou ale vetšinu času se pohybuji v Hrotovicích
Vůz: Peugeot 407SW, 2.0HDi 100 kW; Citroen Xsara kombi, 2,0 HDi, 1999 (u Minimaxe)

Re: Střední díl výfuku

Poslaťod viteon » Pon 26. Sep 2011, 8:09

prvovýroba? druhovýroba? chceš půjčit šupleru?
Obrázok užívateľa
viteon
V.I.P. & Xsamarád
V.I.P. & Xsamarád
 
Príspevky: 3767
Registrovaný: Pia 15. Júl 2005, 8:46
Bydlisko: BRNO, 209km od Dolní Lutyně
Vůz: (A-C4 1,6ka) + (V-C-HR 1,2ka)

Ďalší

Späť na Cokoliv se nikam nevešlo

Kto je on-line

Užívatelia prezerajúci fórum: Žiadny registrovaný užívateľ nie je prítomný a 12 hostia