řadící páka-převodovka

Moderátori: Rope, baffy, viteon, Kleki, Cvrček

Re: Rachtaní v převodovce ??

Poslaťod F.I.K » Pon 25. Feb 2013, 23:02

Dělá to na každou rychlost? A na volnoběh to nedělá, když stojíš na místě. A třeba když zmáčkneš spojku za jízdy? Podle toho co píšeš bych to tipoval na nějakej problém s diferákem a pokud to tak je, tak doporučuju co nejdřív rozhodit, než tě to někde nechá, je to nepříjemný, když ti diferák vyběhne na asfalt. :mrgreen: Moc sem tě nepotěšil co?
F.I.K
Profesionál
Profesionál
 
Príspevky: 204
Registrovaný: Ned 22. Apr 2012, 12:30
Bydlisko: Horní Pěna
Vůz: Xsara VTS 2,0 1999

Re: Rachtaní v převodovce ??

Poslaťod Ankon » Uto 26. Feb 2013, 2:10

No dela to na volnoběhu ale jen zajizdy když vůz stojí tak nic
Ankon
Zasloužilý přispěvatel
Zasloužilý přispěvatel
 
Príspevky: 68
Registrovaný: Ned 10. Júl 2011, 19:25
Bydlisko: Frýdek-místek
Vůz: Xsara 1.4i , benzín, 2000

Re: řadící páka-převodovka

Poslaťod Surmi » Uto 26. Feb 2013, 6:42

ať nedopadneš jako já :lol:
Obrázok
Xsara 1.6 16V 80kW r.v.2003-Tatík
Peugeot 307 2.0 HDi 66kW Siemens r.v.2002 -bejvalka
Peugeot 207 1.4HDi 50kW r.v.2006
Škoda Octavia RS 2.0TDi 125kW
Obrázok
Surmi
V.I.P.
V.I.P.
 
Príspevky: 652
Registrovaný: Ned 3. Máj 2009, 15:50
Bydlisko: Havířov
Vůz: Škoda Octavia II 2.0TDi RS 125kW

Re: řadící páka-převodovka

Poslaťod Ankon » Uto 26. Feb 2013, 11:48

no bude to asi načnuty diferak jak jsem se nakonec zde nekde dočetl :-( . Odpol jedu do servisu takže budu hnedka chytřejší

-- přidáno úte 26. úno 2013, 15:30 --

Tak diferaček je v oných mistech. Nemáte tu někdo nějaky návod jak sundat převodovku nejlepe obrazky jak to vypada a nějaky postup at si to mužu v připadě udělat sám nejlepší zpusob jinak mě asi trefi :-D
Ankon
Zasloužilý přispěvatel
Zasloužilý přispěvatel
 
Príspevky: 68
Registrovaný: Ned 10. Júl 2011, 19:25
Bydlisko: Frýdek-místek
Vůz: Xsara 1.4i , benzín, 2000

kulisa řazení Picasso

Poslaťod martan01 » Sob 9. Mar 2013, 11:56

Mam trochu volnou radici paku. Pri sundani manzety jsem zjistil ze mam praskle perko. Nema nekdo foto kulisy X Picassa kde je videt v jake poloze ma perko byt spravne nasazeno ?
Nevite zda je kulisa vzdy stejna ?
Podle meho je vzdy stejna kulisa jen jse budou lisit lanovody.- osobni domenka.
martan01
 

Re: kulisa řazení Picasso

Poslaťod Cvrček » Ned 10. Mar 2013, 15:43

Kdysi jsme s Milajdou řešili,jestli je kulisa stejná u jeho 1,8 16V (2002) a u mého 2,0HDi (2001). A u těchto shodná je. Ale ideální by bylo to zkontrolovat přes Citroen-service podle VINka. Jinak ta prasklá pružinka je asi nemoc Picass. Pokud nemáš zámek radičky,tak výměna není nijak zvlášť složitá.
Nyní: Xsara Picasso 2,0 HDi r.v.2001 stříbrný tahoun. A bohužel věčná špindíra na podložkách s polepenou prdelkou. Těžko nás přehlídnete ;)
Dříve: Xsara Break 1,9TD r.v.1998
Obrázok užívateľa
Cvrček
V.I.P. & Xsamarád
V.I.P. & Xsamarád
 
Príspevky: 4554
Registrovaný: Štv 7. Jún 2007, 10:33
Bydlisko: Frýdlant v Čechách
Vůz: Xsara Picasso 2.0 HDi , r.v.2001

Re: kulisa řazení Picasso

Poslaťod martan01 » Uto 12. Mar 2013, 20:14

jj cena dilu je 2800kc. Jsem schopen znich vymamit slevu 15%. Az jse otepli tak to tam hodim.
martan01
 

Re: kulisa řazení Picasso

Poslaťod Cvrček » Uto 12. Mar 2013, 20:21

Ještě ti poradím,že výměnu kulisy zde na fóru někde popisoval Rope. Díky tomu vím,že se do tohoho kuli zámku řadičky pouštět raději nebudu. Zkus pohledat,třeba to najdeš. Já se přiznám,že mám lenivou a hledat se to nechce. :mrgreen:
Nyní: Xsara Picasso 2,0 HDi r.v.2001 stříbrný tahoun. A bohužel věčná špindíra na podložkách s polepenou prdelkou. Těžko nás přehlídnete ;)
Dříve: Xsara Break 1,9TD r.v.1998
Obrázok užívateľa
Cvrček
V.I.P. & Xsamarád
V.I.P. & Xsamarád
 
Príspevky: 4554
Registrovaný: Štv 7. Jún 2007, 10:33
Bydlisko: Frýdlant v Čechách
Vůz: Xsara Picasso 2.0 HDi , r.v.2001

Re: kulisa řazení Picasso

Poslaťod martan01 » Sob 16. Mar 2013, 16:38

o kulise jsem tu nanesel ani zmninku.
martan01
 

Re: kulisa řazení Picasso

Poslaťod milajda22 » Ned 17. Mar 2013, 22:15

Sehnal jsem si náhradu za toto pérko a vydrželo tam cca 1 rok, takže jsem to už neřešil.
Naposledy upravil milajda22 dňa Pia 22. Mar 2013, 16:51, celkovo upravené 1
Peugeot 5008 2.0l HDI 110kw Allure - r.v. 7/2012, před tím Citroen Xsara Picasso 1,8 16V Exclusive - rv. 6/2002
Email: milajda22@seznam.cz a jmenuji se Zdeněk

Obrázok
Obrázok užívateľa
milajda22
V.I.P. & Xsamarád
V.I.P. & Xsamarád
 
Príspevky: 1092
Registrovaný: Pia 28. Aug 2009, 3:54
Bydlisko: Jesenice u Prahy
Vůz: Peugeot 5008 2.0l HDI 110kw Allure r.v. 7/2012

radiaci mechanizmus

Poslaťod mike.home » Štv 21. Mar 2013, 20:55

Ahojte. Chcem vás poprosiť o jednu informáciu ohľadom radenia v Xsare Picasso 1.8 16V r.v. 2001. Zlomila sa mi pružina na radiacej páke, ktorá vymedzuje vôľu v radení v neutráli. Kde by sa dala taká pružina zohnať, poprípade aký konkrétny typ to je. Zatiaľ ďakujem. :oops:
mike.home
Návštěvník
Návštěvník
 
Príspevky: 6
Registrovaný: Str 20. Mar 2013, 20:51
Bydlisko: Bratislava
Vůz: Xsara Picasso 1.8 16V

Re: radiaci mechanizmus

Poslaťod baffy » Štv 21. Mar 2013, 23:55

Keďže neviem aký ročník máš tak identifikuj o co gou
Untitled1.pdf
(52.28 KiB KiB) 776 krát
Untitled.pdf
(62.1 KiB KiB) 780 krát
Minulosť: Citroen sára 1.6 16V r.v.2001
Minulosť: Karol I 407 2.0 HDI 100kW r.v.2008
Minulosť: Karol II 508 Hybrid 4x4 2.0 HDI 120kW r.v.2015
Prítomnosť: Karol III 3008 2.0 bohužiaľ už BlueHDI 133kW r.v. 2018
Obrázok užívateľa
baffy
V.I.P. & Xsamarád
V.I.P. & Xsamarád
 
Príspevky: 5191
Registrovaný: Sob 6. Jan 2007, 20:31
Bydlisko: SR - Levice
Vůz: Peugeot 508 Hybrid 4x4 2.0HDi 06/2015

Re: radiaci mechanizmus

Poslaťod mike.home » Pia 22. Mar 2013, 22:55

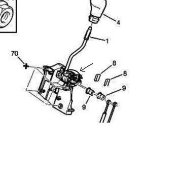
V prílohe posielam konkrétne označené miesto, kde sa pružina nachádza.
Prílohy
radenie.jpg
radenie.jpg (16.18 KiB) Zobrazené 13553 krát
mike.home
Návštěvník
Návštěvník
 
Príspevky: 6
Registrovaný: Str 20. Mar 2013, 20:51
Bydlisko: Bratislava
Vůz: Xsara Picasso 1.8 16V

Re: řadící páka-převodovka

Poslaťod milajda22 » Sob 23. Mar 2013, 7:32

Ta pružinka se samostatně sehnat nedá (tedy na vrakovišti možná), jinak v Citroenu se to prodává jako celek :-(
Peugeot 5008 2.0l HDI 110kw Allure - r.v. 7/2012, před tím Citroen Xsara Picasso 1,8 16V Exclusive - rv. 6/2002
Email: milajda22@seznam.cz a jmenuji se Zdeněk

Obrázok
Obrázok užívateľa
milajda22
V.I.P. & Xsamarád
V.I.P. & Xsamarád
 
Príspevky: 1092
Registrovaný: Pia 28. Aug 2009, 3:54
Bydlisko: Jesenice u Prahy
Vůz: Peugeot 5008 2.0l HDI 110kw Allure r.v. 7/2012

Re: řadící páka-převodovka

Poslaťod mike.home » Sob 23. Mar 2013, 14:07

Ďakujem za info. :D
mike.home
Návštěvník
Návštěvník
 
Príspevky: 6
Registrovaný: Str 20. Mar 2013, 20:51
Bydlisko: Bratislava
Vůz: Xsara Picasso 1.8 16V

PredchádzajúciĎalší

Späť na Cokoliv se nikam nevešlo

Kto je on-line

Užívatelia prezerajúci fórum: Žiadny registrovaný užívateľ nie je prítomný a 13 hostia

cron